


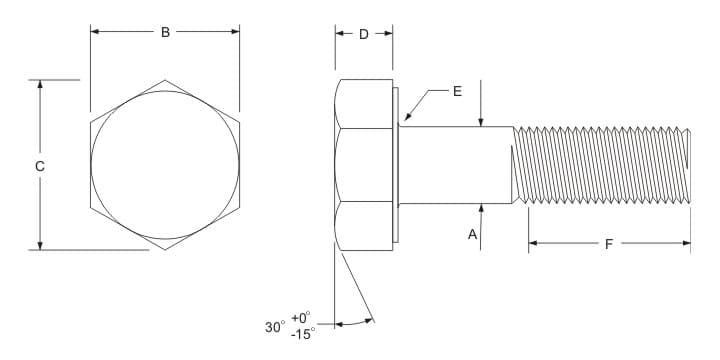
Table B1 | ||||||||
|---|---|---|---|---|---|---|---|---|
| Bolt Size | A (max) | B | C (min) | D | E | F Thread Length for Bolt Length | ||
| max | min | 6" and shorter | over 6" | |||||
| 1/4" | 0.260 | 7/16 | 0.484 | 11/64 | 0.03 | 0.01 | 0.750 | 1.000 |
| 5/16" | 0.324 | 1/2 | 0.552 | 7/32 | 0.03 | 0.01 | 0.875 | 1.125 |
| 3/8" | 0.388 | 9/16 | 0.620 | 1/4 | 0.03 | 0.01 | 1.000 | 1.250 |
| 7/16" | 0.452 | 5/8 | 0.687 | 19/64 | 0.03 | 0.01 | 1.125 | 1.375 |
| 1/2" | 0.515 | 3/4 | 0.826 | 11/32 | 0.03 | 0.01 | 1.250 | 1.500 |
| 5/8" | 0.642 | 15/16 | 1.033 | 27/64 | 0.06 | 0.02 | 1.500 | 1.750 |
| 3/4" | 0.768 | 1-1/8 | 1.240 | 1/2 | 0.06 | 0.02 | 1.750 | 2.000 |
| 7/8" | 0.895 | 1-5/16 | 1.447 | 37/64 | 0.06 | 0.02 | 2.000 | 2.250 |
| 1" | 1.022 | 1-1/2 | 1.653 | 43/64 | 0.09 | 0.03 | 2.250 | 2.500 |
| 1-1/8" | 1.149 | 1-11/16 | 1.859 | 3/4 | 0.09 | 0.03 | 2.500 | 2.750 |
| 1-1/4" | 1.277 | 1-7/8 | 2.066 | 27/32 | 0.09 | 0.03 | 2.750 | 3.000 |
| 1-3/8" | 1.404 | 2-1/16 | 2.273 | 29/32 | 0.09 | 0.03 | 3.000 | 3.250 |
| 1-1/2" | 1.531 | 2-1/4 | 2.480 | 1 | 0.09 | 0.03 | 3.250 | 3.500 |
| 1-3/4" | 1.785 | 2-5/8 | 2.893 | 1-5/32 | 0.12 | 0.04 | 3.750 | 4.000 |
| 2" | 2.039 | 3 | 3.306 | 1-11/32 | 0.12 | 0.04 | 4.250 | 4.500 |
| 2-1/4" | 2.305 | 3-3/8 | 3.719 | 1-1/2 | 0.19 | 0.06 | 4.750 | 5.000 |
| 2-1/2" | 2.559 | 3-3/4 | 4.133 | 1-21/32 | 0.19 | 0.06 | 5.250 | 5.500 |
| 2-3/4" | 2.837 | 4-1/8 | 4.546 | 1-13/16 | 0.19 | 0.06 | 5.750 | 6.000 |
| 3" | 3.081 | 4-1/2 | 4.959 | 2 | 0.19 | 0.06 | 6.250 | 6.500 |
| 3-1/4" | 3.335 | 4-7/8 | 5.372 | 2-3/16 | 0.19 | 0.06 | 6.750 | 7.000 |
| 3-1/2" | 3.589 | 5-1/4 | 5.786 | 2-5/16 | 0.19 | 0.06 | 7.250 | 7.500 |
| 3-3/4" | 3.858 | 5-5/8 | 6.198 | 2-1/2 | 0.19 | 0.06 | 7.750 | 8.000 |
| 4" | 4.111 | 6 | 6.612 | 2-11/16 | 0.19 | 0.06 | 8.250 | 8.500 |
0.030" for sizes up to 1/2"
0.050" for sizes 5/8" and 3/4"
0.060" for sizes over 3/4" to 1-1/4"
0.090" for sizes over 1-1/4" to 2"
0.120" for sizes over 2" to 3"
0.190" for sizes over 3"
Reduced Diameter Body - Bolts may be obtained in "reduced diameter body." Where "reduced body diameter" is specified, the body diameter may be reduced to approximately the pitch diameter of the thread. A shoulder of full body diameter under the head may be supplied at option of the manufacturer.

Table B2 | ||||||||
|---|---|---|---|---|---|---|---|---|
| Bolt Size | A (max) | B | C (min) | D | E | F Thread Length for Bolt Length | ||
| max | min | 6" and shorter | over 6" | |||||
| 1/2" | 0.515 | 7/8 | 0.969 | 11/32 | 0.03 | 0.01 | 1.250 | 1.500 |
| 5/8" | 0.642 | 1-1/16 | 1.175 | 27/64 | 0.06 | 0.02 | 1.500 | 1.750 |
| 3/4" | 0.768 | 1-1/4 | 1.383 | 1/2 | 0.06 | 0.02 | 1.750 | 2.000 |
| 7/8" | 0.895 | 1-7/16 | 1.589 | 37/64 | 0.06 | 0.02 | 2.000 | 2.250 |
| 1" | 1.022 | 1-5/8 | 1.796 | 43/64 | 0.09 | 0.03 | 2.250 | 2.500 |
| 1-1/8" | 1.149 | 1-13/16 | 2.002 | 3/4 | 0.09 | 0.03 | 2.500 | 2.750 |
| 1-1/4" | 1.277 | 2 | 2.209 | 27/32 | 0.09 | 0.03 | 2.750 | 3.000 |
| 1-3/8" | 1.404 | 2-3/16 | 2.416 | 29/32 | 0.09 | 0.03 | 3.000 | 3.250 |
| 1-1/2" | 1.531 | 2-3/8 | 2.622 | 1 | 0.09 | 0.03 | 3.250 | 3.500 |
| 1-3/4" | 1.785 | 2-3/4 | 3.035 | 1-5/32 | 0.12 | 0.04 | 3.750 | 4.000 |
| 2" | 2.039 | 3-1/8 | 3.449 | 1-11/32 | 0.12 | 0.04 | 4.250 | 4.500 |
| 2-1/4" | 2.305 | 3-1/2 | 3.862 | 1-1/2 | 0.19 | 0.06 | 4.750 | 5.000 |
| 2-1/2" | 2.559 | 3-7/8 | 4.275 | 1-21/32 | 0.19 | 0.06 | 5.250 | 5.500 |
| 2-3/4" | 2.827 | 4-1/4 | 4.688 | 1-13/16 | 0.19 | 0.06 | 5.750 | 6.000 |
| 3" | 3.081 | 4-5/8 | 5.102 | 2 | 0.19 | 0.06 | 6.250 | 6.500 |
0.030" for sizes up to 1/2"
0.050" for sizes 5/8" and 3/4"
0.060" for sizes over 3/4" to 1-1/4"
0.090" for sizes over 1-1/4" to 2"
0.120" for sizes over 2" to 3"
Reduced Diameter Body - Bolts may be obtained in "reduced diameter body." Where "reduced body diameter" is specified, the body diameter may be reduced to approximately the pitch diameter of the thread. A shoulder of full body diameter under the head may be supplied at option of the manufacturer.

Table B3 | ||||||||
|---|---|---|---|---|---|---|---|---|
| Bolt Size | A (max) | B | C (min) | D | E | F Thread Length for Bolt Length | ||
| max | min | 6" and shorter | over 6" | |||||
| 1/4" | 0.260 | 3/8 | 0.498 | 11/64 | 0.03 | 0.01 | 0.750 | 1.000 |
| 5/16" | 0.324 | 1/2 | 0.665 | 13/64 | 0.03 | 0.01 | 0.875 | 1.125 |
| 3/8" | 0.388 | 9/16 | 0.747 | 1/4 | 0.03 | 0.01 | 1.000 | 1.250 |
| 7/16" | 0.452 | 5/8 | 0.828 | 19/64 | 0.03 | 0.01 | 1.125 | 1.375 |
| 1/2" | 0.515 | 3/4 | 0.995 | 21/64 | 0.03 | 0.01 | 1.250 | 1.500 |
| 5/8" | 0.642 | 15/16 | 1.244 | 27/64 | 0.06 | 0.02 | 1.500 | 1.750 |
| 3/4" | 0.768 | 1-1/8 | 1.494 | 1/2 | 0.06 | 0.02 | 1.750 | 2.000 |
| 7/8" | 0.895 | 1-5/16 | 1.742 | 19/32 | 0.06 | 0.02 | 2.000 | 2.250 |
| 1" | 1.022 | 1-1/2 | 1.991 | 21/32 | 0.09 | 0.03 | 2.250 | 2.500 |
| 1-1/8" | 1.149 | 1-11/16 | 2.239 | 3/4 | 0.09 | 0.03 | 2.500 | 2.750 |
| 1-1/4" | 1.277 | 1-7/8 | 2.489 | 27/32 | 0.09 | 0.03 | 2.750 | 3.000 |
| 1-3/8" | 1.404 | 2-1/16 | 2.738 | 29/32 | 0.09 | 0.03 | 3.000 | 3.250 |
| 1-1/2" | 1.531 | 2-1/4 | 2.986 | 1 | 0.09 | 0.03 | 3.250 | 3.500 |

Table B4 | |||||||
|---|---|---|---|---|---|---|---|
| Bolt Size | A | B | C (min) | D | F Thread Length for Screw Lengths | ||
| max | min | 6" and shorter | over 6" | ||||
| 1/4" | 0.2500 | 0.2450 | 7/16 | 0.488 | 5/32 | 0.750 | 1.000 |
| 5/16" | 0.3125 | 0.3065 | 1/2 | 0.557 | 13/64 | 0.875 | 1.125 |
| 3/8" | 0.3750 | 0.3690 | 9/16 | 0.628 | 15/64 | 1.000 | 1.250 |
| 7/16" | 0.4375 | 0.4305 | 5/8 | 0.698 | 9/32 | 1.125 | 1.375 |
| 1/2" | 0.5000 | 0.4930 | 3/4 | 0.840 | 5/16 | 1.250 | 1.500 |
| 9/16" | 0.5625 | 0.5545 | 13/16 | 0.910 | 23/64 | 1.375 | 1.625 |
| 5/8" | 0.6250 | 0.6170 | 15/16 | 1.051 | 25/64 | 1.500 | 1.750 |
| 3/4" | 0.7500 | 0.7410 | 1-1/8 | 1.254 | 15/32 | 1.750 | 2.000 |
| 7/8" | 0.8750 | 0.8660 | 1-5/16 | 1.465 | 35/64 | 2.000 | 2.250 |
| 1" | 1.0000 | 0.9900 | 1-1/2 | 1.675 | 39/64 | 2.250 | 2.500 |
| 1-1/8" | 1.1250 | 1.1140 | 1-11/16 | 1.859 | 11/16 | 2.500 | 2.750 |
| 1-1/4" | 1.2500 | 1.2390 | 1-7/8 | 2.066 | 25/32 | 2.750 | 3.000 |
| 1-3/8" | 1.3750 | 1.3630 | 2-1/16 | 2.273 | 27/32 | 3.000 | 3.250 |
| 1-1/2" | 1.5000 | 1.4880 | 2-1/4 | 2.480 | 1-5/16 | 3.250 | 3.500 |
| 1-3/4" | 1.7500 | 1.7380 | 2-5/8 | 2.893 | 1-3/32 | 3.750 | 4.000 |
| 2" | 2.0000 | 1.9880 | 3 | 3.306 | 1-7/32 | 4.250 | 4.500 |
| 2-1/4" | 2.2500 | 2.2380 | 3-3/8 | 3.719 | 1-3/8 | 4.750 | 5.000 |
| 2-1/2" | 2.5000 | 2.4880 | 3-3/4 | 4.133 | 1-17/32 | 5.250 | 5.500 |
| 2-3/4" | 2.7500 | 2.7380 | 4-1/8 | 4.546 | 1-11/16 | 5.750 | 6.000 |
| 3" | 3.0000 | 2.9880 | 4-1/2 | 4.959 | 1-7/8 | 6.250 | 6.500 |

Table B5 | |||||||||||
|---|---|---|---|---|---|---|---|---|---|---|---|
| Bolt Size | A | B | C | D | E Radius of Fillet | F Thread Length | G Transitional Thread Length | Runout of Bearing Surface FIM | |||
| max | min | min | max | min | max | ||||||
| 1/2" | 0.515 | 0.482 | 7/8 | 0.969 | 5/16 | 0.031 | 0.009 | 1.00 | 0.19 | 0.016 | |
| 5/8" | 0.642 | 0.605 | 1-1/16 | 1.175 | 25/64 | 0.062 | 0.021 | 1.25 | 0.22 | 0.019 | |
| 3/4" | 0.768 | 0.729 | 1-1/4 | 1.383 | 15/32 | 0.062 | 0.021 | 1.38 | 0.25 | 0.022 | |
| 7/8" | 0.895 | 0.852 | 1-7/16 | 1.589 | 35/64 | 0.062 | 0.031 | 1.50 | 0.28 | 0.025 | |
| 1" | 1.022 | 0.976 | 1-5/8 | 1.796 | 39/64 | 0.093 | 0.062 | 1.75 | 0.31 | 0.028 | |
| 1-1/8" | 1.149 | 1.098 | 1-13/16 | 2.002 | 11/16 | 0.093 | 0.062 | 2.00 | 0.34 | 0.032 | |
| 1-1/4" | 1.277 | 1.223 | 2 | 2.209 | 25/32 | 0.093 | 0.062 | 2.00 | 0.38 | 0.035 | |
| 1-3/8" | 1.404 | 1.345 | 2-3/16 | 2.416 | 27/32 | 0.093 | 0.062 | 2.25 | 0.44 | 0.038 | |
| 1-1/2" | 1.531 | 1.470 | 2-3/8 | 2.622 | 15/16 | 0.093 | 0.062 | 2.25 | 0.44 | 0.041 | |
0.030" for sizes up to 1/2"
0.050" for sizes 5/8" and 3/4"
0.060" for sizes over 3/4" to 1-1/4"
0.090" for sizes over 1-1/4"